1
/
kohta
2
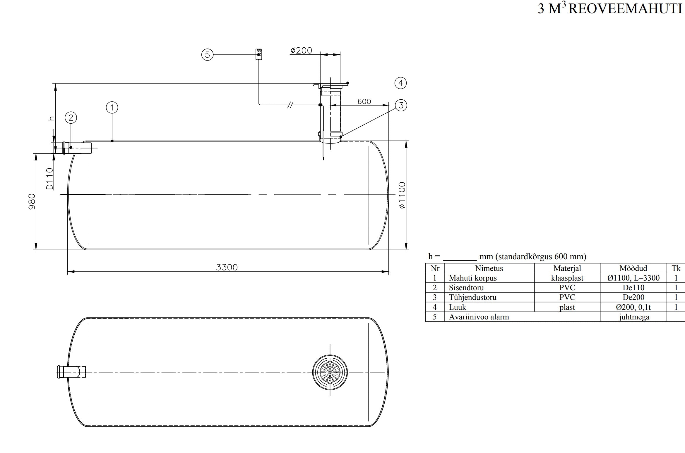
Kogumismahuti 3m³ (∅1100, L = 3300mm)
Kogumismahuti 3m³ (∅1100, L = 3300mm)
Tavahind
€717.05
Tavahind
€896.32
Müügihind
€717.05
Hind koos km-ga
Laos
Kogus
Järeletulemise võimalust ei leitud
Klaasplastist kogumismahuti on peamiselt reovee või vihmavee kogumiseks. Mahutid on korrosioonikindlad ja oma suhteliselt kerge kaalu juures on need väga tugevad ning pika elueaga. Kerge kaal teeb transportimise ja paigaldamise lihtsaks.
Kogumismahuti 3000 liitrit
Kaal ca 100 kg
Garantii 10a
Tootega on kaasas sertifikaadid, vastavusdeklaratsioonid ning paigaldus- ja hooldusjuhend.
Inimese kohta arvestatakse ca 2,5m³ reovett kuus.
Mahuti juurde kuuluvad sisend- ja tühjendustorud ning plastkaas.
Lisavarustusena saab mahutile lisada ületäitumise alarmseadme.
Jaga
